欢迎光临长江液压配件,我们是一家专业生产液压附件的厂家。
中文版
ENGLISH
专注生产液压附件
PROFESSIONAL OF HYDRAULIC
咨询热线:13506515556
首页
关于我们
产品展示
新闻资讯
资质荣誉
电子画册
联系我们
首页
关于我们
产品展示
新闻资讯
资质荣誉
电子画册
联系我们
中文版
ENGLISH
关于我们
产品展示
电子画册
新闻资讯
联系我们
产品中心
过滤器
滤清器
其他配件
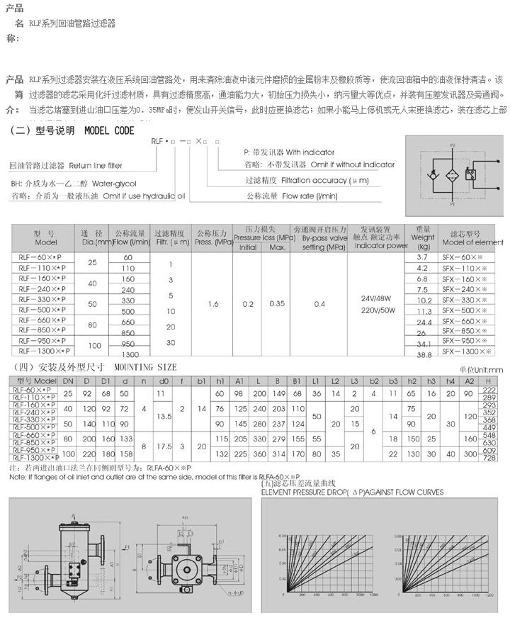
RLF系列回油管路过滤器
当前位置:
首页
>
产品中心
详细介绍
相关产品
GP、WY、LXZS、系列磁性回油过滤器
(ZU、QU、WU、XU)-A系列回油过滤器
STF系列双筒箱外自封式吸油过滤器
扫一扫,手机站!
网站导航
关于我们
产品展示
新闻资讯
资质荣誉
电子画册
联系我们
产品分类
过滤器
滤清器
其他配件
长江液压配件
地址:温州市瓯海区西经二路21号
电话:
0577-86787031 88635840
手机:
13506515556
E-mail:
yy81@sina.com
网址:
http://www.cncjyy.com
友情链接
百度
/
阿里巴巴
© 2024 长江液压配件
All Rights Reserved.